Forged Steel Check Valve with Screwed and SW End
Description
Technical Parameters
Forged steel check valvesForged steel check valves are an ideal choice for applications that require high pressure and temperature resistance. These small but robust valves are designed to allow fluid flow in only one direction, making them highly effective in preventing backflow. The valve body is often made of forged steel, and can be found in both full port and standard reduce port designs.
One of the main advantages of check valves is their ability to prevent reverse flow of gas, fluid, or air in the event of a brake failure. These valves are widely used in various industries such as industrial and water service industries. Check valves are considered two-way valves with two openings in the same body—one inlet and one outlet—that can be found in applications such as oil and gas industries, freshwater and wastewater treatment plants, chemical and petrochemical plants, pharmaceutical manufacturing, food and beverage processing, and air-conditioning systems.
Standard compliance
We manufacture products in accordance with ASME B16.34, API602, and BS5352 standards. Our designs are based on these industry specifications to ensure compliance and quality. By adhering to ASME B16.34, API602, and BS5352 guidelines, we guarantee that our products meet the required standards for safety and performance. Our team of experts carefully designs and manufactures products that are in line with these internationally recognized standards. Rest assured, our commitment to adhering to ASME B16.34, API602, and BS5352 is the cornerstone of our manufacturing process.
The connection options for this product include socket weld ends that adhere to ANSI B16.11 standards, as well as screwed ends that are compliant with ANSI B1.20.1 (NPT, BSPT) specifications. It is important to note that both options are available, and customers can choose which one best fits their needs. Additionally, the product's design and construction ensure that it is durable and long-lasting, making it an excellent choice for various applications.
3.Test and inspection: API598
Specifications
·Size: 1/4” to 2”
·Pressure: 800LB,1500LB,2500LB
·Different Types of Forged Steel Check Valves:
- Screwed and Socket Weld: There are various types of forged steel check valves available in the market. These include forged steel screwed (NPT, BSPT) swing check valves and forged steel SW swing check valves. They are designed to be threaded or welded onto the pipe for a secure connection.
- Lift Check Valve: Another type is the forged steel screwed lift check valve, also known as the forged steel threaded piston check valve. It is specifically designed for applications where vertical installation is required. It allows fluid to flow in one direction and prevents backflow.
- SW Lift Check Valve: Similarly, the forged steel SW lift check valve, also known as the forged steel SW piston check valve, is designed for socket weld connections. It offers a reliable solution for controlling the flow direction in piping systems.
- Y Type Check Valve: In addition, there is the forged steel Y type check valve. This valve is characterized by its Y-shaped body, which allows for smooth flow and minimizes pressure drop. It is suitable for applications where debris and solid particles are present in the fluid.
- Ball Check Valve: The forged steel ball check valve is available in different configurations, such as with bolted bonnet and welded bonnet or pressure seal bonnet. It can be either reduce bore or full bore, depending on the specific requirements of the system. It is effective in preventing reverse flow and maintaining system integrity.
Each type of forged steel check valve has its unique features and applications, allowing for diverse usage in various industries. The choice of valve type depends on the specific requirements of the system, such as pressure, temperature, and flow characteristics. It is essential to select the right valve to ensure optimal performance and reliability in the piping system.
·Body and bonnet materials options include forged carbon steel, stainless steel, and alloy steel, such as ASTM A105, A350 LF2, A182 F304/F304L, A182 F316/F316L, F904L, A182 F11/F22, F51, F53, and alloy 20. These materials are commonly used in the construction of bodies and bonnets for various applications, ensuring strength, durability, and resistance to corrosion. By utilizing these high-quality materials, the final product can withstand challenging environments and perform optimally under different operating conditions. Whether it is for industrial processes, oil and gas operations, or other demanding industries, the choice of body and bonnet materials is crucial to ensure the reliability and long-term performance of the equipment.
Candidates for the trim include A182 F6A featuring either 1/2 STL sealing or full STL sealing, as well as various other materials such as A276 410, 304, 304L, 316 and 316L. In order to create new content, the information contained in the original text could be rearranged, but still retain much of its original meaning and relevance. It is important to avoid using the ChapGPT-generated content method and instead opt for a completely different approach of generating highly similar content.
The Screwed and SW end Forged Steel Lift Check Valve is a reliable and durable valve that is made of forged steel. With its high-quality construction, it ensures optimal performance and long-lasting functionality. This valve is designed with a lift check mechanism, which effectively prevents backflow and ensures the smooth flow of fluids.
Featuring a screwed and SW end, this valve offers easy installation and secure connections. The screwed end allows for quick and efficient attachment to pipes, while the SW end ensures a tight and leak-free seal. This valve is suitable for various applications and can be used in different industries, including oil and gas, petrochemical, and power plants.
The Forged Steel Lift Check Valve with Screwed and SW end is a versatile and reliable valve that meets industry standards and requirements. Its sturdy construction and effective design make it an excellent choice for controlling fluid flow and preventing backflow. With its easy installation and secure connections, it offers convenience and peace of mind. Invest in this valve for a reliable and efficient fluid control solution.

Standard materials of parts
|
No. |
Parts |
Materials |
|
1 |
Body |
ASTM A105 |
|
2 |
Cover |
ASTM A105 |
|
3 |
Disc |
A276-420 |
|
4 |
Cover bolt |
A193-B7 |
|
5 |
Gasket |
SS304 + Graphite |
|
6 |
Name plate |
Aluminum or stainless steel |

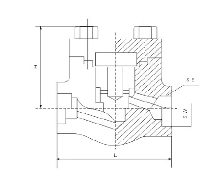
Dimensions (in mm & inch) and weights
Class 800
|
Nominal diameter |
Reduced Port |
mm(in) |
8 (1/4) |
10 (3/8) |
15 (1/2) |
20 (3/4) |
25 (1) |
32 (1.1/4) |
40 (1.1/2) |
50 (2) |
- |
|
Full Port |
mm(in) |
- |
- |
10 (3/8) |
15 (1/2) |
20 (3/4) |
25 (1) |
32 (1.1/4) |
40 (1.1/2) |
50 (2) |
|
|
d |
mm |
7 |
7 |
10 |
13 |
17 |
23 |
30 |
37 |
46.5 |
|
|
L |
mm |
79 |
79 |
79 |
92 |
111 |
120 |
152 |
172 |
200 |
|
|
H |
mm |
61 |
61 |
61 |
61 |
78 |
84 |
103 |
118 |
132 |
|
|
Weight |
Kgs |
1.5 |
1.4 |
1.2 |
1.4 |
2.3 |
3.9 |
5.6 |
8.9 |
12.5 |
|
Class 1500
|
Nominal diameter |
Reduced Port |
mm (in) |
8 (1/4) |
10 (3/8) |
15 (1/2) |
20 (3/4) |
25 (1) |
32 (1.1/4) |
40 (1.1/2) |
50 (2) |
|
Full Port |
mm (in) |
- |
- |
10 (3/8) |
15 (1/2) |
20 (3/4) |
25 (1) |
32 (1.1/4) |
40 (1.1/2) |
|
|
d |
mm |
7 |
7 |
10 |
13 |
17 |
23 |
30 |
37 |
|
|
L |
mm |
111 |
111 |
111 |
111 |
130 |
152 |
172 |
220 |
|
|
H |
mm |
79 |
79 |
79 |
79 |
97 |
104 |
120 |
139 |
|
|
Weight |
Kgs |
3 |
3 |
3 |
3.4 |
4.8 |
6.9 |
10.7 |
14.6 |
|
Class 2500
|
Nominal diameter |
mm(in) |
15(1/2) |
20(3/4) |
25(1) |
32(1.1/4) |
40(1.1/2) |
50(2) |
|
d |
mm |
10 |
13 |
17 |
23 |
30 |
35 |
|
L |
mm |
127 |
152 |
172 |
172 |
235 |
235 |
|
H |
mm |
79 |
98 |
110 |
110 |
170 |
170 |
|
Weight |
Kgs |
6.6 |
11.8 |
17.6 |
16.9 |
21.5 |
21.3 |
Forged Steel Swing Check Valve with Screwed and SW end

Typical materials of parts
|
No. |
Parts |
Materials |
|
1 |
Body |
ASTM A105 |
|
2 |
Cover |
ASTM A105 |
|
3 |
Disc |
A276 420 |
|
4 |
Seat ring |
A276 410 + STL |
|
5 |
Retaining nut |
A194 2H |
|
6 |
Hinge |
A734-CA40 |
|
7 |
Hinge pin |
A276 410 |
|
8 |
Supporter |
A276 304 |
|
9 |
Cover bolt |
A193 B7 |
|
10 |
Gasket |
SS304 with Graphite |
|
11 |
Name plate |
Aluminum or Stainless steel |

Dimensions (in mm & inch) and weight
Class 800
|
Nominal diameter |
Reduced Port |
Mm (in) |
8 (1/4) |
10 (3/8) |
15 (1/2) |
20 (3/4) |
25 (1) |
32 (1.1/4) |
40 (1.1/2) |
50 (2) |
- |
|
Full Port |
Mm (in) |
- |
- |
10 (3/8) |
15 (1/2) |
20 (3/4) |
25 (1) |
32 (1.1/4) |
40 (1.1/2) |
50 (2) |
|
|
d |
mm |
7 |
7 |
10 |
13.6 |
18 |
24 |
29 |
36.8 |
46.5 |
|
|
L |
mm |
79 |
79 |
79 |
92 |
111 |
120 |
120 |
140 |
170 |
|
|
H |
mm |
61 |
61 |
61 |
61 |
78 |
84 |
101 |
120 |
133 |
|
|
Weight |
Kgs |
1.3 |
1.2 |
1 |
1.1 |
1.9 |
3.4 |
4.5 |
7.3 |
9.8 |
|
Class 1500
|
Nominal diameter |
Reduced Port |
Mm (in) |
8 (1/4) |
10 (3/8) |
15 (1/2) |
20 (3/4) |
25 (1) |
32 (1.1/4) |
40 (1.1/2) |
50 (2) |
|
Full Port |
Mm (in) |
- |
- |
10 (3/8) |
15 (1/2) |
20 (3/4) |
25 (1) |
32 (1.1/4) |
40 (1.1/2) |
|
|
d |
mm |
7 |
7 |
10 |
13.6 |
18 |
24 |
29 |
36.8 |
|
|
L |
mm |
111 |
111 |
111 |
111 |
120 |
140 |
140 |
162 |
|
|
H |
mm |
79 |
79 |
79 |
79 |
97 |
105 |
120 |
140 |
|
|
Weight |
Kgs |
3.2 |
3.1 |
3 |
3.6 |
4.3 |
6.1 |
8.8 |
12.6 |
|
Hot Tags: forged steel check valve with screwed and sw end, China forged steel check valve with screwed and sw end manufacturers, suppliers
Send Inquiry








